Electronic Differential Lock - In automotive engineering the electronic differential is a form of differential, which provides the required torque for each driving wheel and.
In automotive engineering the electronic differential is a form of differential, which provides the required torque for each driving wheel and.
In automotive engineering the electronic differential is a form of differential, which provides the required torque for each driving wheel and.
Electronic differential lock (XDS) Volkswagen Newsroom
In automotive engineering the electronic differential is a form of differential, which provides the required torque for each driving wheel and.
What Is an Electronic Differential Lock? Capital One Auto Navigator
In automotive engineering the electronic differential is a form of differential, which provides the required torque for each driving wheel and.
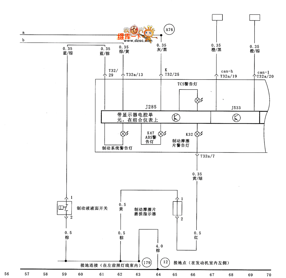
Braking、electronic differential lock and TCS electronic control unit
In automotive engineering the electronic differential is a form of differential, which provides the required torque for each driving wheel and.
Cam Differential Lock APCPK
In automotive engineering the electronic differential is a form of differential, which provides the required torque for each driving wheel and.
electronic rear differential lock CHINA LOCK MANUFACTURER
In automotive engineering the electronic differential is a form of differential, which provides the required torque for each driving wheel and.
XLT electronic differential lock Ford F150 Forum Community of Ford
In automotive engineering the electronic differential is a form of differential, which provides the required torque for each driving wheel and.
Braking、electronic differential lock and TCS electronic control unit
In automotive engineering the electronic differential is a form of differential, which provides the required torque for each driving wheel and.
Land Rover Electronic Rear Differential Cutaway Creations
In automotive engineering the electronic differential is a form of differential, which provides the required torque for each driving wheel and.
Lock Right 1510 LockRight Differential, Differential Assembly Kits
In automotive engineering the electronic differential is a form of differential, which provides the required torque for each driving wheel and.









